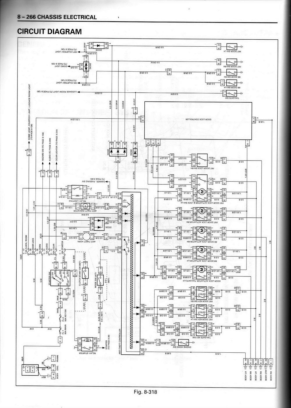
Witam, mam pytanie co do centralnego a konretnie centralki, napisano ,że jest na prawym słupku ale którym????? przednim, przy nogach pasażera, czy środkowy lub tylni? Ma ktoś może fotkę , jak to ustrojstwo powinno wyglądać?
Pozdrawiam Gazia.



Powrót do Isuzu Trooper II / Opel Monterey A (1992-1997)
Użytkownicy przeglądający ten dział: Baidu [Spider] i 32 gości