Przednie zaciski dwutłoczkowe z D-Max'a?

Pomysły, Porady, Modyfikacje

Re: Przednie zaciski dwutłoczkowe z D-Max'a?

Postprzez Jake » 16 lis 2022, 22:11

pocieszny napisał(a):serio myślałem że wszystkie V6 mają 2 tłoczkowe z przodu :shock: :?

ZADNE Troopery V6 nie maja fabrycznie 2 tloczkowych z przodu ;) Wszystkie Troopery mialy jednotloczkowe niezaleznie od wersji silnikowej i rocznika.
sedric napisał(a):Wiem, ze trochę odgrzewana kotleta ale suma Summarum próbował ktoś z tymi zaciskami D-maxowymi? Warto? :D

Emh.... coz no... mnie bardzo krecil ten pomysl i byl bym go zrealizowal.... ale sprzedalem Isuzu wiec tak jakby nie mam juz ku temu mozliwosci. Ale w mojej ocenie jak najbardziej warto!
Toyota 4-Runner 3.4 V6 1991
Avatar użytkownika
Jake
 
Posty: 4326
Dołączył(a): 25 kwi 2015, 22:02
Lokalizacja: Europa

Re: Przednie zaciski dwutłoczkowe z D-Max'a?

Postprzez sedric » 16 lis 2022, 23:52

Kojarzysz czy wystarczy sam zacisk czy musi być z jarzmem od D-Max’a? Miałem D-max 3.0 2008 r. teraz mam Troopera 1999r. i komfort hamowania pomiędzy nimi to prawdziwa przepaść. Tak więc jak tylko klocki które wsadziłem na przód się skończą najpewniej wymienię zaciski…
sedric
 
Posty: 23
Dołączył(a): 10 lip 2022, 12:32

Re: Przednie zaciski dwutłoczkowe z D-Max'a?

Postprzez Jake » 17 lis 2022, 01:14

Musza byc i zaciski i jarzma. Ale nic wiecej.
Skad pomysl na zmiane D-Maxa na Troopera?
Toyota 4-Runner 3.4 V6 1991
Avatar użytkownika
Jake
 
Posty: 4326
Dołączył(a): 25 kwi 2015, 22:02
Lokalizacja: Europa

Re: Przednie zaciski dwutłoczkowe z D-Max'a?

Postprzez Legend » 17 lis 2022, 03:11

czekam na relację czy warto...

szykują się 33x12,5 ..... może nie hamować :P

jak jest z dostępnością czesci do zacisków dmaxa? w sensie klocki, zestawy naprawcze?

i czy nie lepiej swapowac z nowszych po 2012 razem z tarczą?

Tam z tego espaniola forum typek bral zaciski z dmaxa 2007

Mnie bardziej martwią tylne hamulce, na pełnym wdepnięciu na SKP na rolkachnie jest w stanie zablokować tyłu, diagnosta stwierdził, zebym nie robił dramy....hmm
V6
Avatar użytkownika
Legend
 
Posty: 1417
Dołączył(a): 09 lut 2013, 20:47

Re: Przednie zaciski dwutłoczkowe z D-Max'a?

Postprzez Jake » 17 lis 2022, 03:30

Legend napisał(a):szykują się 33x12,5 ..... może nie hamować :P

Hamowac hamuje, mialem 33" przez caly czas jak jezdzilem Trooperem (>4 lat) i zawsze byl wstanie zablokowac kola.
Legend napisał(a):i czy nie lepiej swapowac z nowszych po 2012 razem z tarczą?
Tam z tego espaniola forum typek bral zaciski z dmaxa 2007

Bo pasuja plug&play i nie trzeba nic przerabiac. Nie mam pojecia czy nowsze tez tak maja - ktos musialby zmierzyc/przymierzyc.

Legend napisał(a):Mnie bardziej martwią tylne hamulce, na pełnym wdepnięciu na SKP na rolkachnie jest w stanie zablokować tyłu, diagnosta stwierdził, zebym nie robił dramy....hmm

Masz LSPBV na tylnej osi? Ono zwykle siada calkiem albo sie przynajmniej rozregulowuje po latach (lub od liftu) i tyl slabo hamuje. Ma blokowac.
Ja ogolnie tego cuda nie lubie, usuwam i montuje staly zawor proporcyjny Aisina przy pompie. Nawet do 4R to zaadaptowalem.
Toyota 4-Runner 3.4 V6 1991
Avatar użytkownika
Jake
 
Posty: 4326
Dołączył(a): 25 kwi 2015, 22:02
Lokalizacja: Europa

Re: Przednie zaciski dwutłoczkowe z D-Max'a?

Postprzez Legend » 17 lis 2022, 10:59

no właśnie zawór mam przy pompie.
Nie pasuje mi kolor płynu hamulcowego i chyba najpierw ten kierunek muszę obrać. Na pewno zaciski sprawne bo są po przeglądzie.

Czy ja dobrze kojarze, że dmaxz tyłu ma bębny we wszystkich wersjach? Bo jak przody są takie pasujące to może tył też ma większą średnicę tłoczka i warto swapować na dwie osie?

Już kiedyś nad tym myślałem i parę zacisków oglądałem i niestety wymagałyby dorobienia nowego mocowania-patrzyłem na Hondę bo tam jest takie samo spęcznienie jak w Isuzu więc odpada zakuwanie przewoduod nowa.

Niemniej jednak przeróbka powinna iśc w parze z przewodami w stalowym oplocie dla pełności efektu.
V6
Avatar użytkownika
Legend
 
Posty: 1417
Dołączył(a): 09 lut 2013, 20:47

Re: Przednie zaciski dwutłoczkowe z D-Max'a?

Postprzez miras7 » 17 lis 2022, 12:30

Tylne hamulce zasadnicze nie mogą blokować koła. Grozi to śmiercią. Po to jest korektor.
Avatar użytkownika
miras7
 
Posty: 1841
Dołączył(a): 06 sie 2012, 19:41
Lokalizacja: Wrocław/Milicz

Re: Przednie zaciski dwutłoczkowe z D-Max'a?

Postprzez Jake » 17 lis 2022, 14:06

Tzn tyl nie moze sie blokowac PRZED przodem. :)
Toyota 4-Runner 3.4 V6 1991
Avatar użytkownika
Jake
 
Posty: 4326
Dołączył(a): 25 kwi 2015, 22:02
Lokalizacja: Europa

Re: Przednie zaciski dwutłoczkowe z D-Max'a?

Postprzez sedric » 17 lis 2022, 15:13

Jake napisał(a):Musza byc i zaciski i jarzma. Ale nic wiecej.
Skad pomysl na zmiane D-Maxa na Troopera?


D-Max sprzedany 3 lata temu bo okazyjnie (jak wtedy mi się wydawało) kupiłem Santane PS10, teraz bym go nie sprzedawał bo 3.0 w automacie jeździło się komfortowo i był całkiem zadbany. Trooper od zawsze mi się podobał a też trafił się w normalnych pieniądzach i już raczej zostanie na dłużej bo mam na chwilę obecną dość odbudowywania wozów, najwyżej kiedyś wleci jakiś mocniejszy motor.

Aktualnie mam 33x12,5x15 tylko trochę ciężkie gumy bo Toyo Open Coutry MT, heble po regeneracji i hamuje to lekko mówiąc kiepsko, jeszcze wymienię płyn hamulcowy może choć trochę to pomoże.
sedric
 
Posty: 23
Dołączył(a): 10 lip 2022, 12:32

Re: Przednie zaciski dwutłoczkowe z D-Max'a?

Postprzez Legend » 17 lis 2022, 22:36

miras7 napisał(a):Tylne hamulce zasadnicze nie mogą blokować koła. Grozi to śmiercią. Po to jest korektor.



może źle się wyraziłem.

Na depniętym heblu nie wyjedzie tylną osią z rolek.
V6
Avatar użytkownika
Legend
 
Posty: 1417
Dołączył(a): 09 lut 2013, 20:47

Re: Przednie zaciski dwutłoczkowe z D-Max'a?

Postprzez Jake » 21 lis 2022, 06:39

Lepiej powiedz ile kN ci wyszlo na poszczegolnych kolach. Bedzie cos mozna stwierdzic.
Toyota 4-Runner 3.4 V6 1991
Avatar użytkownika
Jake
 
Posty: 4326
Dołączył(a): 25 kwi 2015, 22:02
Lokalizacja: Europa

Re: Przednie zaciski dwutłoczkowe z D-Max'a?

Postprzez sedric » 14 lip 2023, 22:45

Może komuś jeszcze przyda się informacja więc się dziele:
Zaciski z D-max’a podchodzą praktycznie p&p, trzeba podciąć delikatnie tarcze kotwiczną, przewody hamulcowe również pasują. Przed montażem regenerowałem D-max’owe łącznie z nowymi tłoczkami
i jak dla mnie różnica w komforcie hamowania jest bardzo duża. Nie wiem w jakim stanie były moje oryginalne zaciski- ponoć były regenerowane przez poprzedniego właściciela, tłoczki by to potwierdzały bo były nowe ale nie mają podejścia do tych z D-max’a.
Wkleił bym zdjęcie na aucie ale ni holery nie ogarniam jak je tu wrzucić ;)
sedric
 
Posty: 23
Dołączył(a): 10 lip 2022, 12:32

Re: Przednie zaciski dwutłoczkowe z D-Max'a?

Postprzez Jake » 15 lip 2023, 07:53

sedric napisał(a):Może komuś jeszcze przyda się informacja więc się dziele:
Zaciski z D-max’a podchodzą praktycznie p&p, trzeba podciąć delikatnie tarcze kotwiczną, przewody hamulcowe również pasują. Przed montażem regenerowałem D-max’owe łącznie z nowymi tłoczkami
i jak dla mnie różnica w komforcie hamowania jest bardzo duża. Nie wiem w jakim stanie były moje oryginalne zaciski- ponoć były regenerowane przez poprzedniego właściciela, tłoczki by to potwierdzały bo były nowe ale nie mają podejścia do tych z D-max’a.
Wkleił bym zdjęcie na aucie ale ni holery nie ogarniam jak je tu wrzucić ;)

Super, gratuluje zmiany na lepsze! :)2 :)2

--------
Zdjecia dodajesz klikajac "Dodaj zalacznik", bardzo proste, o tutaj:
Załączniki
attachement.png
attachement.png (36.65 KiB) Przeglądane 15754 razy
Toyota 4-Runner 3.4 V6 1991
Avatar użytkownika
Jake
 
Posty: 4326
Dołączył(a): 25 kwi 2015, 22:02
Lokalizacja: Europa

Re: Przednie zaciski dwutłoczkowe z D-Max'a?

Postprzez Legend » 16 lip 2023, 22:45

to jeszcze podaj, który rok tego maxa?
V6
Avatar użytkownika
Legend
 
Posty: 1417
Dołączył(a): 09 lut 2013, 20:47

Re: Przednie zaciski dwutłoczkowe z D-Max'a?

Postprzez Jake » 17 lip 2023, 02:30

Legend napisał(a):to jeszcze podaj, który rok tego maxa?

2002-2012
Toyota 4-Runner 3.4 V6 1991
Avatar użytkownika
Jake
 
Posty: 4326
Dołączył(a): 25 kwi 2015, 22:02
Lokalizacja: Europa

Re: Przednie zaciski dwutłoczkowe z D-Max'a?

Postprzez Legend » 18 lip 2023, 00:39

aż se chyba spróbuję czy to faktycznie takie och ach będzie przy tym hamowaniu.....
V6
Avatar użytkownika
Legend
 
Posty: 1417
Dołączył(a): 09 lut 2013, 20:47

Re: Przednie zaciski dwutłoczkowe z D-Max'a?

Postprzez gikxer » 08 sie 2023, 20:52

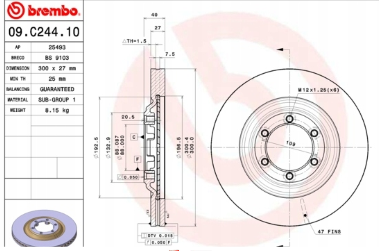
A może ktos próbował z tarczami 300mm od D-maxa? Poniżej na schematach widać wymiary, są bardzo podobne i mam na nie cichy plan. Zaciski od D-maxa praktycznie nie dostępne, z tego co patrzyłem to używany był tylko jeden na allegro. Podejrzewam, że forumowicze wykupili.. Z braku laku chodzą mi po głowie zaciski czterotłoczkowe ale to się jeszcze okaże.
Również od nowego D-maxa jest bardzo podobne serwo, zastanawiam się czy to zrobi różnicę? Ogólnie hamulec daje radę ale w awaryjnych sytuacjach trzeba deptać dlatego myślę o jakiejś podmiance.


D-MAX
Obrazek

TROOPER
Obrazek
gikxer
 
Posty: 141
Dołączył(a): 31 lip 2022, 09:10

Re: Przednie zaciski dwutłoczkowe z D-Max'a?

Postprzez miras7 » 15 lis 2023, 22:45

sedric napisał(a):Może komuś jeszcze przyda się informacja więc się dziele:
Zaciski z D-max’a podchodzą praktycznie p&p, trzeba podciąć delikatnie tarcze kotwiczną, przewody hamulcowe również pasują. Przed montażem regenerowałem D-max’owe łącznie z nowymi tłoczkami
i jak dla mnie różnica w komforcie hamowania jest bardzo duża. Nie wiem w jakim stanie były moje oryginalne zaciski- ponoć były regenerowane przez poprzedniego właściciela, tłoczki by to potwierdzały bo były nowe ale nie mają podejścia do tych z D-max’a.
Wkleił bym zdjęcie na aucie ale ni holery nie ogarniam jak je tu wrzucić ;)

Dasz rade wrzucić to zdjęcie zacisku? Handlarze tak opisują sprzedawany towar, że już się gubię które to zaciski kupić...
Avatar użytkownika
miras7
 
Posty: 1841
Dołączył(a): 06 sie 2012, 19:41
Lokalizacja: Wrocław/Milicz

Re: Przednie zaciski dwutłoczkowe z D-Max'a?

Postprzez Jake » 16 lis 2023, 00:03

Ja mam fote na komputerze, wrzuce jak wroce do domu.
Toyota 4-Runner 3.4 V6 1991
Avatar użytkownika
Jake
 
Posty: 4326
Dołączył(a): 25 kwi 2015, 22:02
Lokalizacja: Europa

Re: Przednie zaciski dwutłoczkowe z D-Max'a?

Postprzez Jake » 16 lis 2023, 00:58

Jake napisał(a):Ja mam fote na komputerze, wrzuce jak wroce do domu.

Sprawdizlem, ale mam tylko to zdjecie ktore jest w pierwszym poscie tego tematu.
Toyota 4-Runner 3.4 V6 1991
Avatar użytkownika
Jake
 
Posty: 4326
Dołączył(a): 25 kwi 2015, 22:02
Lokalizacja: Europa

Re: Przednie zaciski dwutłoczkowe z D-Max'a?

Postprzez miras7 » 16 lis 2023, 09:17

Jake napisał(a):
Jake napisał(a):Ja mam fote na komputerze, wrzuce jak wroce do domu.

Sprawdizlem, ale mam tylko to zdjecie ktore jest w pierwszym poscie tego tematu.

A na tym zdjęciu są takie jakie powinny pasować?
Avatar użytkownika
miras7
 
Posty: 1841
Dołączył(a): 06 sie 2012, 19:41
Lokalizacja: Wrocław/Milicz

Re: Przednie zaciski dwutłoczkowe z D-Max'a?

Postprzez Jake » 16 lis 2023, 15:20

Tak
Toyota 4-Runner 3.4 V6 1991
Avatar użytkownika
Jake
 
Posty: 4326
Dołączył(a): 25 kwi 2015, 22:02
Lokalizacja: Europa

Poprzednia strona

Powrót do Ogólne

Kto przegląda forum

Użytkownicy przeglądający ten dział: Brak zidentyfikowanych użytkowników i 10 gości