Odnawiam swojego Montereya. Rocznik 93.
Chcę zmienić/unowocześnić instalację elektryczną.
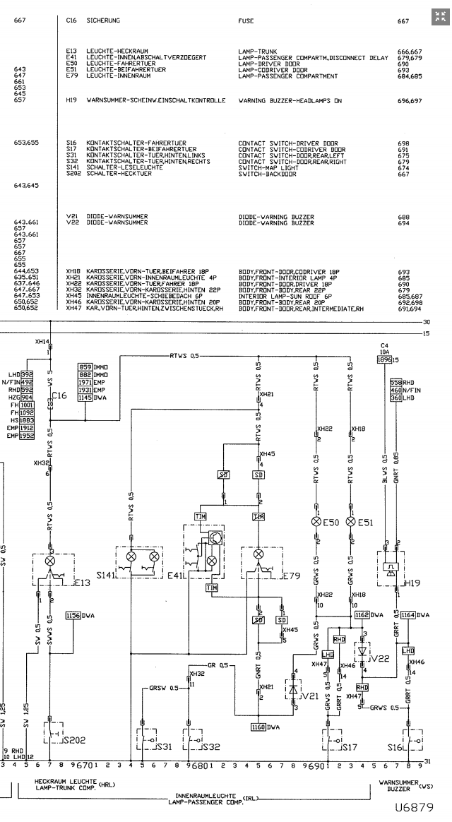
Niestety nie mam schematu pasującego do tego modelu, więc trochę błądzę.
Dodałem solar i dodatkowy akumulator. Chcę odciąć odbiorniki w kabinie od głównego akumulatora i zasilać je akumulatorem dodatkowym.
Ponadto denerwujące jest (przynajmniej mnie to denerwuje), że czerwone lampki w drzwiach oraz oświetlenie sufitowe załącza się zawsze podczas otwarcia drzwi. To powoduje, że samochód stojący kilka dni w garażu (lub serwisie) z otwartymi drzwiami rozładowuje akumulator.
Część przeróbek już zrobiłem. Ale zatrzymałem się na tych lampkach w drzwiach.
One są zasilane przez bezpiecznik C-17 (pod kierownicą). Wyjąłem ten bezpiecznik i przepuszczam prąd (płynący przez ten bezpiecznik) przez dodatkowy przekaźnik sterowany przełącznikiem zmierzchowym.
Działa to bardzo ładnie. Zasilanie układu przełącznika zmierzchowego jest realizowane z dodatkowego akumulatora, który z kolei jest dołączany do całego układu przez dodatkowy przełącznik. Wyłączenie tego przełącznika (lub wyjęcia dodatkowego akumulatora) odłączy całą moją dodatkową instalację i wprowadzi auto w "tryb serwisowy", dzięki czemu będzie mógł stać w warsztacie z otwartymi drzwiami bez rozładowywania akumulatora.
Ale pojawił się problem. W skrzynce bezpieczników C-17 jest opisany jako "CLOCK, ROOM", tymczasem jego wyjęcia wyłącza również ANTITHEFT.
Poszperałem w internecie i znalazłem taki opis:
"C-17 Sound system; Interior lights; key-in ignition warning system; anti-theft system; auto antenna"
Nie wiem jednak, czy to jest opis pasujący dokładnie do mojego modelu.
Z Antitheftem sobie poradziłem (znalazłem pin, na który dostaje zasilanie poprzez ten bezpiecznik i puściłem mu zasilanie z innego miejsca). Działa (uzbraja się, włącza alarm przy próbie otwarcia drzwi, więc chyba jest ok).
Ale wg tego opisu na tym bezpieczniku jest jeszcze "key-in ignition warning system".
I teraz pytanie jest - czy ktoś wie, co to za system. Co on powinien robić?
U mnie nie zauważyłem żadnych innych efektów po wyjęcie bezpiecznika C-17 niż: wyłączenie oświetlenia w drzwiach i sufitowego, niedziałanie Antithefta oraz niedziałanie zegara cyfrowego i podtrzymania radia.
Ale być może ten "key-in ignition warning system" jest ważnym modułem i powinienem go znaleźć i również zasilić inną drogą. A może w moim modelu nie ma tego modułu?
Czy ktoś coś wie na ten temat?
